按发动机品牌
按机组功率
按结构
特殊型机组
按类型
安静,可靠,效率高——发动机配齿轮箱图片
发动机配齿轮箱图片(取力器是船舶主动力装置,又称推进装置,是为船舶 提供推进动力,保证船舶以一定速度的各种机械设备,包括主机及其附属设 备,是全船的心脏)
产品分类
电话:159-9728-5399(彭) 电话:138-7174-1048(明) 电话:150-7221-8613(王) 邮箱:978104957@qq.com 地址:湖北省襄阳市高新区襄阳科技城科思楼(无锡路与珠海大道交汇处)
潍柴系列---潍柴船机
潍柴系列---玉柴系列
东康200KW机组图片
上柴400KW机组图片
玉柴140KW机组图片
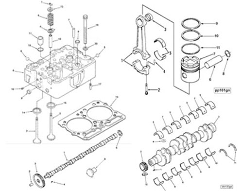
CUMMINS-qsl9-Drawing
CUMMINS-nta855-Drawing
CUMMINS-m11&ism11-Drawing
CUMMINS-kta50-Drawing
CUMMINS-kta19-Drawing
CUMMINS-kta38-Drawing
CUMMINS-ISME345-30-Engine-Parts
Cummins ISF2.8&3.8 engine parts
CUMMINS-Isde-Drawing
CUMMINS-Isbe-Drawing